подскажите новичку - хондоводу

Показано с 1 по 7 из 7

Комбинированный просмотр

Предыдущее сообщение Предыдущее сообщение   Следующее сообщение Следующее сообщение
  1. #1
    Автор темы
    Регистрация
    08.07.2016
    Адрес
    Шарыпово
    Сообщений
    18

    По умолчанию подскажите новичку - хондоводу

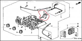
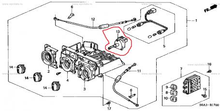
    народ подскажите, как можно решить проблему с печкой, необходима эта деталь (см.фото), может подойдет с российских ТАЗов или с других моделей ХОНДА? Вариант с покупкой EXIST отпадает, ценник дороговато
    Миниатюры Миниатюры подскажите новичку - хондоводу-s6a1b170.0.jpg  

  2. #2
    Старожил
    Регистрация
    03.02.2012
    Адрес
    Красноярск
    Сообщений
    612

    По умолчанию

    Деталь по ходу не от нашей машины на фото... А так в разборе как вариант поискать в сборе всё...

  3. #3
    Автор темы
    Регистрация
    08.07.2016
    Адрес
    Шарыпово
    Сообщений
    18

    По умолчанию

    Ошибаешься, как раз от моей машины и есть ,по разборкам искал близлежащие города Ачинск, Назарово, Красноярск ничего нет в наличии, когда будет тоже не знают, новая на экзисте почти 5 рублей

  4. #4
    Участник
    Регистрация
    25.07.2012
    Адрес
    Murmansk
    Сообщений
    32

    По умолчанию

    Это же 79570-S6A-003? автодок и емекс предлагают дешевле... для моего региона в среднем 2500, правда ждать долго

  5. #5
    Участник
    Регистрация
    14.12.2011
    Адрес
    Красноярск
    Сообщений
    484

    По умолчанию

    У меня тоже проблема была с этой деталью, занялся капитально, поменял все на печку с сервоприводами и электронным управлением)

  6. #6
    Участник
    Регистрация
    25.07.2012
    Адрес
    Murmansk
    Сообщений
    32

    По умолчанию

    andrewk19, для этого всю панель разбирать надо?

  7. #7
    Злой модер
    Регистрация
    02.08.2009
    Адрес
    Тамбов
    Сообщений
    3,162

    По умолчанию

    iMav, конечно

Похожие темы

  1. Ответов: 2
    Последнее сообщение: 21.07.2016, 04:30
  2. Помогите начинающему Хондоводу:)
    от Rusqa в разделе Honda Civic
    Ответов: 0
    Последнее сообщение: 12.06.2016, 18:38
  3. Прошу помочь хондоводу
    от Link44 в разделе IV
    Ответов: 5
    Последнее сообщение: 18.09.2008, 05:41
  4. Помогите начинающему Хондоводу
    от Oloff в разделе Ремонт
    Ответов: 4
    Последнее сообщение: 08.01.2008, 20:51

Ваши права

  • Вы не можете создавать новые темы
  • Вы не можете отвечать в темах
  • Вы не можете прикреплять вложения
  • Вы не можете редактировать свои сообщения
  •