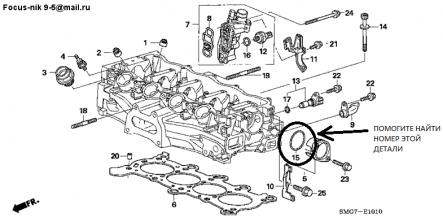
Ахренеть!!! я когда делал ТО 75000, машину подняли и обнаружили там свежую течь масла. текло вот именно из под этого кольца и пластиковой заглушки. в результате мне насчитали работ на 4000 рэ. заменили это кольцо, заглушку и прокладку головы. сказали что до этого кольца не добраться без снятия, головы и воздушного фильтра.
Делал в АИДЕ, и цена с учетом клубной скидки. Это чё меня так не хило развели?





Ответить с цитированием



