Следы масла, помогите определить откуда течь.

Страница 5 из 6 ПерваяПервая ... 3456 ПоследняяПоследняя
Показано с 41 по 50 из 55

Комбинированный просмотр

Предыдущее сообщение Предыдущее сообщение   Следующее сообщение Следующее сообщение
  1. #1
    Член Клуба
    Регистрация
    18.05.2012
    Адрес
    Моск обл, Орехово-Зуевский р-н
    Сообщений
    106

    По умолчанию

    weer,
    спасибо, это даже по названию похоже на то, что нужно)

  2. #2
    Старожил
    Регистрация
    18.04.2008
    Адрес
    Красноярск
    Сообщений
    656

    По умолчанию

    У меня пробег 45000. Из за течи масла уже успел поменять обе заглушки, 2 раза датчик давления масла спереди. И вот недавно прокладку соленоида втека, он находится слева с задней стороны двигателя под краем лобового стекла.

  3. #3
    Особый статус
    Регистрация
    10.11.2010
    Адрес
    ЛЕСА российской федерации
    Сообщений
    30,212

    По умолчанию

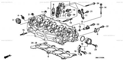
    для представления
    Следы масла, помогите определить откуда течь.-sna1e101_0a.jpg

  4. #4
    Старожил
    Регистрация
    01.10.2011
    Адрес
    М
    Сообщений
    1,272

    По умолчанию

    И тогда еще вот картинка, где позиция 1 и есть та заглушка 12513-P72-003 с передней стороны двигателя, откуда часто сопливит масло
    Миниатюры Миниатюры Следы масла, помогите определить откуда течь.-123.jpg  

  5. #5
    Старожил
    Регистрация
    01.10.2011
    Адрес
    М
    Сообщений
    1,272

    По умолчанию

    Вот она же на фото
    Миниатюры Миниатюры Следы масла, помогите определить откуда течь.-1234.jpg  

  6. #6
    Старожил
    Регистрация
    18.12.2011
    Адрес
    Красноярск
    Сообщений
    709

    По умолчанию

    Сегодня ночью остановился у себя во дворе осмотреть подкапотное пространство, ни где нету течи масло, все вроде как сухо, и тут в глаза бросилась эта заглушка которая слева двигателя напротив подушки мотора. Заглушка под светом фонарного столба блестела, провел по нему пальцем и он весь в масле, при этом нету на корпусе двигателя подтеков масло или пятень.
    Так вот мужики его менять как ?? Просто выташил отверткой, вставил новую заглушку и все?? Нужен ли какой нибудь там уплотнитель или клей, герметик или еще что нибудь?

  7. #7
    Почетный Старожил Аватар для Dmitriy_
    Регистрация
    02.11.2008
    Адрес
    world
    Сообщений
    7,779

    По умолчанию

    тоже эта заглушка потеет. подтеков сильных нет но под заглушкой металл как буд то в масле. просто протираю салфеткой раз в два месяца.
    Moscow never sleeps

  8. #8
    Участник
    Регистрация
    22.01.2012
    Адрес
    МО
    Сообщений
    25

    По умолчанию

    Сам не давно менял,заглушка стоит около 100 руб.Меняется очень просто: поддеваешь одной отверткой и другой помогаешь, выходит легко, резьбы там никакой нет.Новую заглушку смазал герметиком для надежности и воткнул.

  9. #9
    Член Клуба
    Регистрация
    18.05.2012
    Адрес
    Моск обл, Орехово-Зуевский р-н
    Сообщений
    106

    По умолчанию

    Ребят, сегодня по случаю, пока машина была на подъемнике, сделал фото снизу. На нем видно, помимо уже засохшего старого масла, и совсем свежее. Кто может по этим фото понять, что это может быть. Заглушку гбц только поменял неделю назад, это не из нее.
    раз
    два[COLOR="Silver"]

    ---------- Сообщение добавлено 13.11.2012 в 13:26 ----------

    ---------- Сообщение добавлено 13.11.2012 в 20:57 ----------

    Сделаю нехорошее дело
    UP!!))
    Последний раз редактировалось Deffru; 13.11.2012 в 20:57.

  10. #10
    Участник
    Регистрация
    24.09.2012
    Адрес
    Иркутск
    Сообщений
    47

    По умолчанию

    А вот у меня вопросик появился, возможно этот держатель распредвала после снятия установить неправильно? а то снимал сам, щас чо-то засомневался - правильно ли поставил?! Если правильно помню, то вот эту прорезь я совместил с отверстием)
    Мотор вроде работает без изменений, около 1000 км уже проехал после того...
    Миниатюры Миниатюры Следы масла, помогите определить откуда течь.-126437686.jpg  

Похожие темы

  1. Течь масла D15b
    от revorr в разделе VI
    Ответов: 26
    Последнее сообщение: 05.03.2012, 15:27
  2. Течь масла двигателя
    от Микитка в разделе Двигатель и трансмиссия
    Ответов: 12
    Последнее сообщение: 11.01.2012, 01:13
  3. Течь масла d13b2
    от raev33 в разделе Двигатель и трансмиссия
    Ответов: 3
    Последнее сообщение: 14.11.2009, 23:49
  4. Течь масла
    от Ренатус в разделе Двигатель и трансмиссия
    Ответов: 13
    Последнее сообщение: 26.06.2009, 04:27
  5. Течь АТФ из АКП. Помогите определить причину.
    от VagneR в разделе Двигатель и трансмиссия
    Ответов: 9
    Последнее сообщение: 20.02.2009, 16:18

Ваши права

  • Вы не можете создавать новые темы
  • Вы не можете отвечать в темах
  • Вы не можете прикреплять вложения
  • Вы не можете редактировать свои сообщения
  •