Подогрев сидений

Страница 2 из 3 ПерваяПервая 123 ПоследняяПоследняя
Показано с 11 по 20 из 27

Комбинированный просмотр

Предыдущее сообщение Предыдущее сообщение   Следующее сообщение Следующее сообщение
  1. #1
    Не мешаю авто работать...
    Регистрация
    06.05.2008
    Адрес
    Москва-Калуга
    Сообщений
    3,046

    По умолчанию

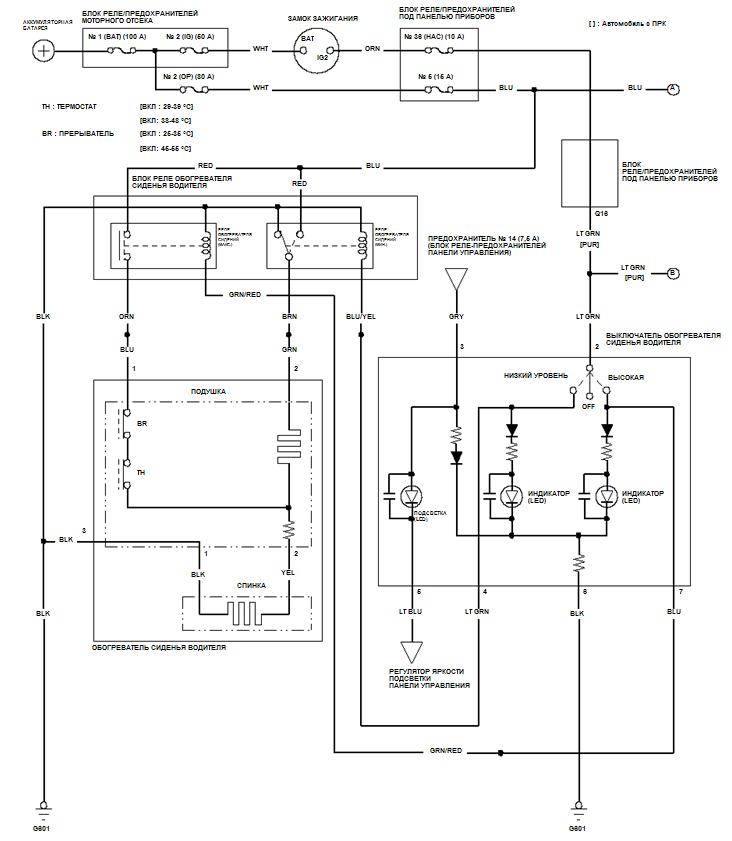
    вот что говорит оф мануал
    Миниатюры Миниатюры Подогрев сидений-852.jpg   Подогрев сидений-962.jpg   Подогрев сидений-963.jpg   Подогрев сидений-961.jpg  

    Последний раз редактировалось Stalker_rus; 04.05.2012 в 09:48.

  2. #2
    Автор темы
    Регистрация
    03.02.2010
    Адрес
    Москва
    Сообщений
    35

    По умолчанию

    Проблемы в прозвонке ваще 0, я просто к тому, что если обрыв, то дальше, то что, надо его спаять. А не греется, потому как включил его случайно на днях спину печёт, а зад не аллё...

    ---------- Сообщение добавлено 04.05.2012 в 09:49 ----------

    Stalker_rus , Спасибо большое...

  3. #3
    Не мешаю авто работать...
    Регистрация
    06.05.2008
    Адрес
    Москва-Калуга
    Сообщений
    3,046

    По умолчанию

    я тебе выложил ВСЁ!!! Далеше - только голова и руки. Это выложить не могу ))))

  4. #4
    Автор темы
    Регистрация
    03.02.2010
    Адрес
    Москва
    Сообщений
    35

    По умолчанию

    Да, ваабче, я и не рассчитывал на такие картинки, ещё раз спасибо огромное.

    ---------- Сообщение добавлено 10.05.2012 в 09:12 ----------

    Привет, на выходных прозвонил седло, там 0,т.е. обрыв походу, чё ехать к диллерам, что-ли, чинить за дорого, иль как,
    Stalker_rus, как?

  5. #5
    Автор темы
    Регистрация
    03.02.2010
    Адрес
    Москва
    Сообщений
    35

    По умолчанию

    Stalker_rus,
    как думаешь, отдирать обивку самому(как потом натяну-ли её обратно)?

  6. #6
    Не мешаю авто работать...
    Регистрация
    06.05.2008
    Адрес
    Москва-Калуга
    Сообщений
    3,046

    По умолчанию

    ну я вот так тебе прям сразу не скажу что делать...
    наверно если руки правильно заточены то можно снять аккуратно, хотя я как то смотрел на заднем диване, после того как ребенок напачкал - снять не решился - хлопотоно.

    ---------- Сообщение добавлено 11.05.2012 в 14:49 ----------

    посмотрел - снимается.
    Миниатюры Миниатюры Подогрев сидений-1.jpg   Подогрев сидений-2.jpg   Подогрев сидений-3.jpg   Подогрев сидений-4.jpg  

    Подогрев сидений-5.jpg   Подогрев сидений-6.jpg   Подогрев сидений-7.jpg   Подогрев сидений-8.jpg  

    Подогрев сидений-9.jpg   Подогрев сидений-10.jpg  
    Последний раз редактировалось Stalker_rus; 11.05.2012 в 15:01.

  7. #7
    Не мешаю авто работать...
    Регистрация
    06.05.2008
    Адрес
    Москва-Калуга
    Сообщений
    3,046

    По умолчанию

    и довесочек =)
    Миниатюры Миниатюры Подогрев сидений-11.jpg  

  8. #8
    Автор темы
    Регистрация
    03.02.2010
    Адрес
    Москва
    Сообщений
    35

    По умолчанию

    Stalker_rus,
    Спасибо большое, буду ковырять...
    Главное в довесочке "замените все снятые фиксаторы на новые",т.е все поломаются или испортчтся...

  9. #9
    Не мешаю авто работать...
    Регистрация
    06.05.2008
    Адрес
    Москва-Калуга
    Сообщений
    3,046

    По умолчанию

    раз у тебя все так по серьезному - скачай ты этот мануал чтоб под рукой весь был. зальешь на ноут и делов то. ссылку поспрашивай в быстром ответе\вопросе.

  10. #10
    Колхожу сивку
    Регистрация
    20.03.2009
    Адрес
    Москва-Долгопрудный
    Сообщений
    1,034

    По умолчанию

    На днях чехлы надевал, пытался снять боковину, что на втором рисунке. Так вот фиксатор под буквой D не смог вынуть, его реальнее только сломать, так что повнимательнее, ато боковину еще придется покупать...

Похожие темы

  1. Подогрев сидений.
    от Theridiidae в разделе Honda Civic 5D
    Ответов: 42
    Последнее сообщение: 17.02.2017, 09:33
  2. Подогрев сидений?
    от Fenetiff в разделе VI
    Ответов: 21
    Последнее сообщение: 29.11.2011, 10:26
  3. Подогрев сидений.
    от xlam в разделе Электрооборудование
    Ответов: 1
    Последнее сообщение: 30.06.2010, 09:34
  4. Подогрев сидений
    от Constantine в разделе Honda Civic 5D
    Ответов: 76
    Последнее сообщение: 17.01.2010, 13:21
  5. подогрев сидений
    от mur в разделе Архив
    Ответов: 10
    Последнее сообщение: 19.02.2007, 02:36

Ваши права

  • Вы не можете создавать новые темы
  • Вы не можете отвечать в темах
  • Вы не можете прикреплять вложения
  • Вы не можете редактировать свои сообщения
  •