
Сообщение от
Venyk
Привет коЛЛеги!
Подскажите по поводу вентилятора охлаждения двигателя.
При -4 С и выше, как только встаешь в пробку или остановишься на светофоре, начинает периодически включаться вентилятор двигателя. Периодичность раз в 5-10 минут. Не холодновато?
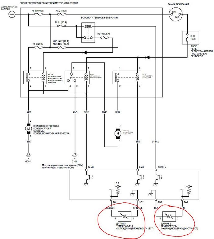
Сигнал о температуре "мозг" получает от датчика температуры в нижней части радиатора и от датчика в водяной помпе, может проблема в одном из них?
Радиатор достаточно чистый, хотя можно и помыть, пробег 71 000 км.
У всех так или проблема закралась где-то?