Не раскрываеться зеркало заднего вида.

Страница 9 из 15 ПерваяПервая ... 7891011 ... ПоследняяПоследняя
Показано с 81 по 90 из 147

Комбинированный просмотр

Предыдущее сообщение Предыдущее сообщение   Следующее сообщение Следующее сообщение
  1. #1
    Новичок
    Регистрация
    04.09.2010
    Адрес
    Уфа
    Сообщений
    5

    По умолчанию

    Сложить до конца (как оно складывается и прижимается к стеклу)? Спасибо. Попробую, если теперь друг пустит трогать его зеркало вообще

  2. #2
    SR1
    SR1 вне форума
    Старожил
    Регистрация
    24.04.2008
    Адрес
    г. Донецк, Украина
    Сообщений
    2,607

    По умолчанию

    -- Зеркало на Сивке можно вручную сложить, а также вывернуть вперед и при таких действиях оно не повреждается. Для восстановления функции Дистанционного (из салона) складывания, возможно прийдется сложить один раз его вручную, затем нажать кнопку раскрыть зеркала.

  3. #3
    Старожил
    Регистрация
    29.08.2008
    Адрес
    Москва
    Сообщений
    4,555

    По умолчанию

    VadimUfa, да к стеклу прижмите его. Не надо бояться так, зеркало рассчитано на такие вещи, как складывание вперед.

  4. #4
    SR1
    SR1 вне форума
    Старожил
    Регистрация
    24.04.2008
    Адрес
    г. Донецк, Украина
    Сообщений
    2,607

    По умолчанию

    -- И я о том же - сложи (прижми к стеклу) зеркало, а затем нажми кнопочку Разложить (Раскрыть).

  5. #5
    Новичок
    Регистрация
    04.09.2010
    Адрес
    Уфа
    Сообщений
    5

    По умолчанию

    Завтра утром попробую! Спасибо!
    Сразу отпишусь по результатам.

  6. #6
    Почетный Старожил
    Регистрация
    02.11.2008
    Адрес
    world
    Сообщений
    7,778

    По умолчанию

    VadimUfa, неоднократно складывал зеркало и во внутрь и наружу когда протирал машину после мойки. привод работает нормально так что сломать там что то я думаю нельзя. Сначала первый раз увидел на мойке когда мне мойщик так сложил его. сначала думал сломал зеркало он мне. ан нет. оказывается так можно. теперь сам так иногда делаю чтоб после мойки слить от туда воду. а вообще аккуратней надо с чужой машиной быть))) я сам не люблю когда начинают ее трогать, облакачиваться и т.п. прошлый раз один уставший друг мне даже на капот присел просто так. вовремя согнал)
    Последний раз редактировалось Dmitriy_; 05.09.2010 в 11:41.

  7. #7
    Новичок
    Регистрация
    04.09.2010
    Адрес
    Уфа
    Сообщений
    5

    По умолчанию

    Про аккуратность с чужой машиной - точно. Про поломку: зеркало закрывается, но иногда нет: замирает на секунду 2 - моторчик работает, потом продолжает складываться. На сервисе сказали сломаны пара зубьев шестерни. Когда я его руками выворачивал (при друге) ничего не хрустело и не ломалось ... Вероятно сломал тихо я или прошлый хозяин утаил. Вот.

    Никто не сталкивался с заменой шестерни? Она там (говорят) пластмассовая?

  8. #8
    SR1
    SR1 вне форума
    Старожил
    Регистрация
    24.04.2008
    Адрес
    г. Донецк, Украина
    Сообщений
    2,607

    По умолчанию

    Цитата Сообщение от VadimUfa Посмотреть сообщение
    Никто не сталкивался с заменой шестерни?
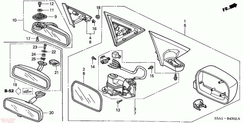
    Наши зеркала продаются только в комплекте. На разборках, конечно можно пробовать договариваться, но не факт что продадут деталь по приемлемой цене. На зеркалах три поломки (смотри тут):
    1). Разбит повторитель поворота, поз. 1
    2). Разбит стеклянный элемент, поз 5
    3). Сломано крепление на кронштейне поз. 7 (и зеркало болтается на проводах)
    Как видишь деталей многовато и нужно смотреть сначала что же все таки поломалось. А чтобы полностью снять зеркало нужно разбирать дверь (при этом сразу останутся следы свидетельствующие, что она разбиралась). Для щепетильного хозяина машинки - это большой минус.

  9. #9
    Старожил
    Регистрация
    15.11.2009
    Адрес
    Новосибирск
    Сообщений
    503

    По умолчанию

    Реально там ломается не шестерня.... сам с этим столкнулся....

    Короче там есть механизм такой по передаче нужного напряжения на моторчик...
    состоит он из двух пластмассовых колец... одно закреплено жестко на втулке,
    а второе висит на защелках... вот эти защелки и отламываются, в результате второе кольцо перекашивается ну вследствие этого контакт теряется....

    Короче пробовал колхозить - не получилось. Буду еще думать что там сделать можно.

    на картинке это в нутрях детали 3(7)...



    вот оно на фотке:

    толстой стрелкой - само кольцо
    тонкими - защелки которые ломаются.




    PS кстати если же это реально Шестерьня у тя сломалась - то ее сменить очень легко. Главное иметь такую на замен.
    Когда откручиваешь два самореза сверху этой белой крышки что на фото, внутри и будут шестеренки в свободном доступе.


    PSPS
    Кстати ищу вот такое вот колечко... у меня все защелки обломались.... =(
    Миниатюры Миниатюры Не раскрываеться зеркало заднего вида.-imageloader.aspx.jpg   Не раскрываеться зеркало заднего вида.-63904.jpg  
    Последний раз редактировалось LaYt; 06.09.2010 в 10:09.

  10. #10
    SR1
    SR1 вне форума
    Старожил
    Регистрация
    24.04.2008
    Адрес
    г. Донецк, Украина
    Сообщений
    2,607

    По умолчанию

    -- Мы сейчас начали говорить о разных зеркалах. По идее здесь ветка восьмого Сивика 4д. Надо, чтобы VadimUfa уточнил какой же сивик у его друга.

Похожие темы

  1. Зеркало заднего вида с монитором
    от zoomman в разделе Дополнительное оборудование
    Ответов: 8
    Последнее сообщение: 27.12.2010, 16:12
  2. Выломали зеркало заднего вида!
    от avgius в разделе Эксплуатация и обслуживание
    Ответов: 14
    Последнее сообщение: 14.05.2009, 11:05
  3. Как разобрать зеркало заднего вида?
    от sud falke в разделе Ремонт
    Ответов: 6
    Последнее сообщение: 26.04.2009, 01:08
  4. Зеркало заднего вида
    от dvp в разделе Доп.оборудование
    Ответов: 22
    Последнее сообщение: 31.03.2009, 10:04

Ваши права

  • Вы не можете создавать новые темы
  • Вы не можете отвечать в темах
  • Вы не можете прикреплять вложения
  • Вы не можете редактировать свои сообщения
  •