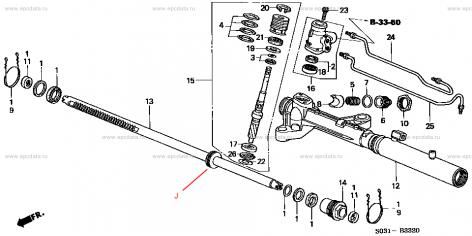
ПРишел ремкомплект, но какой то маленький)
Назрели вопросы:
1. Что за две проволочки под №1?
2. Куда одеваются позиции под №2(одно маленькое резиновое колечко, одно большое с пластмассой), на J - большое, а маленькое куда?
Ещё напишите пожалуйста трудности с какими долго возились и как решили, вот. Вроде всё, спасибо.


Ответить с цитированием


