ПОМОГИТЕ!!! нет зарядки малого акб!!!

Страница 3 из 8 ПерваяПервая 12345 ... ПоследняяПоследняя
Показано с 21 по 30 из 72

Комбинированный просмотр

Предыдущее сообщение Предыдущее сообщение   Следующее сообщение Следующее сообщение
  1. #1
    Старожил
    Регистрация
    17.10.2013
    Адрес
    Дзержинск/Нижний Новгород
    Сообщений
    2,724

    По умолчанию

    Нет у нас генератора. IMA мотор выполняет эту функцию.
    Начать нужно с диагностики. Или подробнее опишите, что происходит: заводится ли? как стартером или IMA? мерил ли напряжение на АКБ, ВВБ? и всё возможное в таком духе.

  2. #2
    Email не подтвержден
    Регистрация
    26.08.2012
    Адрес
    Таганрог
    Сообщений
    936

    По умолчанию

    У меня было подобное!!! Иногда загоралась лампочка акккума, при этом горел чек и ИМА. Всё это было из-за критического расхождения напряжения на 1 паре бамбуков. На всех 17 вольт и на одном 15,6. Так, что в моём случае решение проблемы- замена бамбука или прокачка,что я щас и делаю.

  3. #3
    Участник
    Регистрация
    16.09.2013
    Адрес
    Тюмень
    Сообщений
    99

    По умолчанию

    У меня на выходных была такая фигня, но я знал что аккуму у меня уже капец. Ночью было -28 с утра завел и пошел чай пить, через 10 минут подхожу, а там куча ошибок выскочила, я заглушил машину, потом начал заводить и она не завелась, сдох аккум. Потом прикурили от другой машины, завелась, приходе через 10 мин, а у меня все табло потухло, обороты на 0, машина работает, включил скорость и она заглохла. В итоге купил новый аккум, поставил, завелась со стартера, горел желтый восклицательный знак, заряд батареи был на нуле и пошла принудительная зарядка, через мин 5 шкала батареи дошла до полной, восклицательный знак потух и все стало хорошо

  4. #4
    Участник
    Регистрация
    07.11.2013
    Адрес
    Вологда
    Сообщений
    20

    По умолчанию

    Цитата Сообщение от igor8313 Посмотреть сообщение
    Нет у нас генератора. IMA мотор выполняет эту функцию.
    Начать нужно с диагностики. Или подробнее опишите, что происходит: заводится ли? как стартером или IMA? мерил ли напряжение на АКБ, ВВБ? и всё возможное в таком духе.
    Загорелся индикатор IMA, сделал диагностику, ошибка -старение аккумуляторного модуля код не помню, поставил в гараж, больше не ездил только заводил раз в месяц, чтобы зарядить ВВБ, напряжение отдельно на бамбуках не мерял, хотел поменять ВВБ полностью, т.к. замена пары бамбуков как я понял на долго не помагает, и вот неделю назад завел снова машину, завелась со стартера, загорелся индикатор малый АКБ, на ВВБ заряд тоже не идет, делений нет не одного, как я понял она полностью разрядилась...включал принудительный режим "L", на разных оборотах пробовал - результата нет.


    Цитата Сообщение от Civik999 Посмотреть сообщение
    У меня на выходных была такая фигня, но я знал что аккуму у меня уже капец. Ночью было -28 с утра завел и пошел чай пить, через 10 минут подхожу, а там куча ошибок выскочила, я заглушил машину, потом начал заводить и она не завелась, сдох аккум. Потом прикурили от другой машины, завелась, приходе через 10 мин, а у меня все табло потухло, обороты на 0, машина работает, включил скорость и она заглохла. В итоге купил новый аккум, поставил, завелась со стартера, горел желтый восклицательный знак, заряд батареи был на нуле и пошла принудительная зарядка, через мин 5 шкала батареи дошла до полной, восклицательный знак потух и все стало хорошо
    Тоесть есть шанс если поменяю малую АКБ, то пойдет заряд на ВВБ? но машина ведь завелась, значит малый АКБ не дохлый, что-то я не до конца понимаю всей сути......некий IMA мотор заряжает малый АКБ, а также саму ВВБ, где найти схему этой работы?
    как я понял функции его - заряд АКБ и ВВБ? он должен быть как-то связан с ДВС? Большая просьба показать все на пальцах, если не сложно....
    Может сначала возможно проверить мультиметром, есть ли нет заряд от этого "псевдогенератора" ?

  5. #5
    Старожил
    Регистрация
    04.07.2011
    Адрес
    Moscow
    Сообщений
    820

    По умолчанию

    sliim35,
    Вариант намба раз, снять клемму аккумулятора, подождать, надеть клемму и завести, (маловероятен, но попробовать стоит)
    Вариант намба ту, завести машину, дать ей прогреться, (нас интересует прогретость салона), после этого заглушить и попробовать еще раз завести.

  6. #6
    Участник
    Регистрация
    07.11.2013
    Адрес
    Вологда
    Сообщений
    20

    По умолчанию

    Цитата Сообщение от Trufil Посмотреть сообщение
    sliim35,
    Вариант намба раз, снять клемму аккумулятора, подождать, надеть клемму и завести, (маловероятен, но попробовать стоит)
    Попробовал, не помогло.

    Цитата Сообщение от Trufil Посмотреть сообщение
    sliim35,Вариант намба ту, завести машину, дать ей прогреться, (нас интересует прогретость салона), после этого заглушить и попробовать еще раз завести.
    Попробовал, прогрел салон, заглушил, а завести уже не смог, может дело все таки в малом АКБ

  7. #7
    Старожил
    Регистрация
    17.10.2013
    Адрес
    Дзержинск/Нижний Новгород
    Сообщений
    2,724

    По умолчанию

    Цитата Сообщение от sliim35 Посмотреть сообщение
    Попробовал, не помогло.


    Попробовал, прогрел салон, заглушил, а завести уже не смог, может дело все таки в малом АКБ
    Раз уж завел, а после, как поработал, уже не смог - похоже на то, что на него зарядка не идет. ВВб смотреть надо.
    А завелась как? Стартером, я подозреваю. ???

  8. #8
    Старожил
    Регистрация
    17.10.2013
    Адрес
    Дзержинск/Нижний Новгород
    Сообщений
    2,724

    По умолчанию

    sliim35,
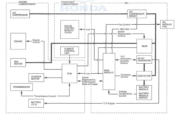
    По-ходу с ВВБ вообще плохи дела. Какие то бамбуки начинают греться и зарядка прекращается. Но в целом ВВБ сильно не дозаряжена. Соответственно с нее не идет зарядка на АКБ через DC-DC converter, который преобразует 158 в 12В.
    Миниатюры Миниатюры ПОМОГИТЕ!!! нет зарядки малого акб!!!-shema.jpg  

  9. #9
    Участник
    Регистрация
    07.11.2013
    Адрес
    Вологда
    Сообщений
    20

    По умолчанию

    За схему спасибо, еще бы расшифровку аббревиатур (что такое BCM module, PCM, MCM), если есть, а то малый АКБ в упор не вижу

  10. #10
    Старожил
    Регистрация
    04.07.2011
    Адрес
    Moscow
    Сообщений
    820

    По умолчанию

    Цитата Сообщение от sliim35 Посмотреть сообщение
    За схему спасибо, еще бы расшифровку аббревиатур (что такое BCM module, PCM, MCM), если есть, а то малый АКБ в упор не вижу
    Самый нижний слева

Похожие темы

  1. нет зарядки
    от kamerath в разделе V
    Ответов: 45
    Последнее сообщение: 14.10.2013, 22:35
  2. Ответов: 4
    Последнее сообщение: 11.09.2013, 10:44
  3. Нет зарядки АКБ
    от Sladky в разделе VII
    Ответов: 19
    Последнее сообщение: 12.07.2013, 09:16
  4. Мигает лампочка зарядки АКБ.
    от Leontiy в разделе Ремонт
    Ответов: 7
    Последнее сообщение: 08.06.2012, 10:20
  5. Нет зарядки холостого хода!!!!!
    от BILLY в разделе Ремонт
    Ответов: 2
    Последнее сообщение: 26.12.2010, 01:28

Ваши права

  • Вы не можете создавать новые темы
  • Вы не можете отвечать в темах
  • Вы не можете прикреплять вложения
  • Вы не можете редактировать свои сообщения
  •