Доброго времени суток.
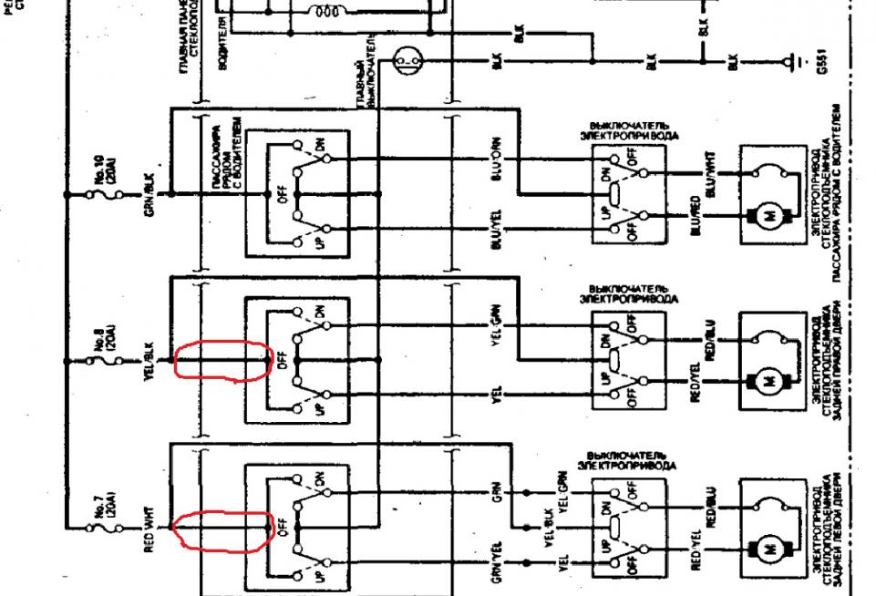
Задние стеклоподъемники не хотят работать с водительского пульта. Надоело прыгать назад и закрывать.
Слышал что их нужно програмировать, попробывал - не вышло (Без акб отпускаешь стекло вниз, держишь кнопку еще 5 сек, затем поднимаешь и опять держишь 5 сек)
Прозвонил кнопки рабочие. подскажите, где проходят провода, которые уходят назад. и цвет желательно.
з.ы. я в электрике почти 0
заранее спс






Ответить с цитированием