Плохо греет печь

Страница 18 из 35 ПерваяПервая ... 8161718192028 ... ПоследняяПоследняя
Показано с 171 по 180 из 341
  1. #171
    Старожил
    Регистрация
    18.03.2010
    Адрес
    Кемерово
    Сообщений
    770

    По умолчанию

    Цитата Сообщение от SerjioTT Посмотреть сообщение
    просто нечего об этом уже писать. не греет на холостых и всё тут. ну не греет оно.
    у меня автозапуск, так хоть час она будет стоять греться - при -18 больше 63 градусов не поднимается температура ОЖ. на переезде остановился - сразу дует немного теплым, поднял обороты - потеплее. походу и циркуляция маловата через печку и мотор остывает.
    А ты вентилятор печки отключи, и увидишь, что температура ОЖ не падает. Вывод, циркуляция норм, теплоотдача норм, раз тепло печкой высасывается.


  2. #172
    Старожил
    Регистрация
    29.01.2009
    Адрес
    Кем. обл. г.Белово
    Сообщений
    2,696

    По умолчанию

    в общем теплообменник на выхлоп колхозить нужно! позаимствуем идею у приусоводов!))

  3. #173
    Участник
    Регистрация
    28.04.2011
    Адрес
    МО, Ступино
    Сообщений
    270

    По умолчанию

    Цитата Сообщение от Roman780 Посмотреть сообщение
    А ты вентилятор печки отключи, и увидишь, что температура ОЖ не падает. Вывод, циркуляция норм, теплоотдача норм, раз тепло печкой высасывается.
    противоречие какое-то)
    если темп ОЖ не меняется при отключении вентиля печки - значит теплоотдача точно НЕНОРМ )
    но реально на двойке почти сразу становится еле теплый воздух, а на единичке ещё можно посидеть погреться, а при закрытой заслонке - даже комфортно, только стекла потеют)

  4. #174
    Старожил
    Регистрация
    18.03.2010
    Адрес
    Кемерово
    Сообщений
    770

    По умолчанию

    Цитата Сообщение от SerjioTT Посмотреть сообщение
    противоречие какое-то)
    если темп ОЖ не меняется при отключении вентиля печки - значит теплоотдача точно НЕНОРМ )
    но реально на двойке почти сразу становится еле теплый воздух, а на единичке ещё можно посидеть погреться, а при закрытой заслонке - даже комфортно, только стекла потеют)
    В чем противоречие то? Вентилятор охлаждает жидкость, вот температура и падает! Вроде все логично!

  5. #175
    Участник
    Регистрация
    11.06.2012
    Адрес
    Нижний Тагил
    Сообщений
    394

    По умолчанию

    Цитата Сообщение от Roman780 Посмотреть сообщение
    В чем противоречие то? Вентилятор охлаждает жидкость, вот температура и падает! Вроде все логично!
    Я не отрицаю что температура отличается на холостых и на ходу, но и скорость циркуляции тоже меняется!

  6. #176
    Старожил
    Регистрация
    29.01.2009
    Адрес
    Кем. обл. г.Белово
    Сообщений
    2,696

    По умолчанию

    Цитата Сообщение от temas Посмотреть сообщение
    Я не отрицаю что температура отличается на холостых и на ходу, но и скорость циркуляции тоже меняется!
    ну она как бы обязана меняться.
    ты чего добиваешься? ну попробуй увеличить циркуляцию доппомпой, расскажешь потом.

  7. #177
    Старожил
    Регистрация
    18.03.2010
    Адрес
    Кемерово
    Сообщений
    770

    По умолчанию

    Цитата Сообщение от temas Посмотреть сообщение
    Я не отрицаю что температура отличается на холостых и на ходу, но и скорость циркуляции тоже меняется!
    Ты пойми, что если жидкость холодная циркулирует, то тепла не жди. я еще раз говорю, температура воздуха из сопел зависит только от температуры жижи, а не от скорости циркулирования

  8. #178
    Участник
    Регистрация
    28.04.2011
    Адрес
    МО, Ступино
    Сообщений
    270

    По умолчанию

    Цитата Сообщение от Roman780 Посмотреть сообщение
    Вроде все логично!
    ладно, может я чего не понял.

    Цитата Сообщение от Roman780 Посмотреть сообщение
    температура воздуха из сопел зависит только от температуры жижи
    в радиаторе печки!
    а она походу разная получается. та ОЖ что в печку поступает - на ХХ остывает, а горячая из основного круга циркуляции не нагнетается, т.к. обороты помпы для этого маловаты, я так полагаю...
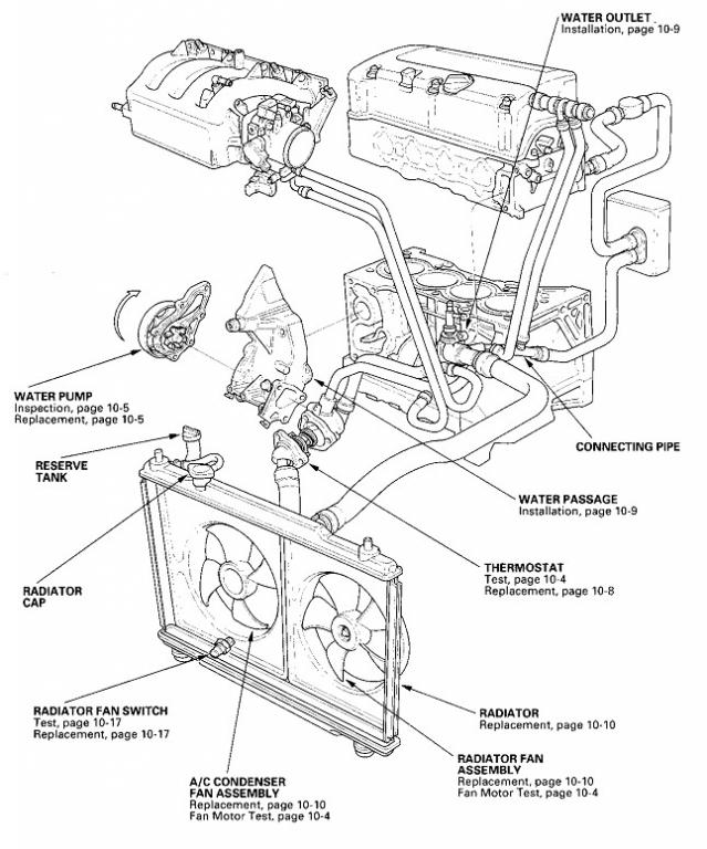
    на рисунке видно, что на печку отдельный контур и сечение там меньше. естественно жидкость сначала по бОльшему (с меньшим сопротивлением) контуру циркулировать будет.
    где-то тут писали что есть помпы на разную температуру, может быть если она будет позже открываться, то через печку будет больше антифриза проходить...
    Миниатюры Миниатюры Плохо греет печь-sistema-ohlozhdeniya.jpg  

  9. #179
    Старожил
    Регистрация
    18.03.2010
    Адрес
    Кемерово
    Сообщений
    770

    По умолчанию

    Ладно, изобретайте дальше велосипед сами. Все что я хотел сказать, сказал. Еще раз скажу, я вижу температуру ОЖ по компьютеру, и эта температура снимается с двигателя, а не с радиатора печки.

    ---------- Сообщение добавлено 22.01.2014 в 12:33 ----------

    Цитата Сообщение от SerjioTT Посмотреть сообщение
    ладно, может я чего не понял.

    в радиаторе печки!
    а она походу разная получается. та ОЖ что в печку поступает - на ХХ остывает, а горячая из основного круга циркуляции не нагнетается, т.к. обороты помпы для этого маловаты, я так полагаю...
    на рисунке видно, что на печку отдельный контур и сечение там меньше. естественно жидкость сначала по бОльшему (с меньшим сопротивлением) контуру циркулировать будет.
    где-то тут писали что есть помпы на разную температуру, может быть если она будет позже открываться, то через печку будет больше антифриза проходить...
    А это вообще полнейший бред, если вообще не знаете об устройстве автомобиля, мой Вам совет, не пишите вообще ничего.

  10. #180
    Старожил
    Регистрация
    19.06.2011
    Адрес
    Клинцы сити
    Сообщений
    2,301

    По умолчанию

    Цитата Сообщение от SerjioTT Посмотреть сообщение
    ладно, может я чего не понял.

    в радиаторе печки!
    а она походу разная получается. та ОЖ что в печку поступает - на ХХ остывает, а горячая из основного круга циркуляции не нагнетается, т.к. обороты помпы для этого маловаты, я так полагаю...
    на рисунке видно, что на печку отдельный контур и сечение там меньше. естественно жидкость сначала по бОльшему (с меньшим сопротивлением) контуру циркулировать будет.
    где-то тут писали что есть помпы на разную температуру, может быть если она будет позже открываться, то через печку будет больше антифриза проходить...
    Вообще то, температуру нагрева ОЖ поддерживает термостат, датчик температуры её фиксирует, а радиатор и вентилятор её регулируют............у помпы посредственное участие, она её гоняет и создает циркуляцию в двигателе...........чем больше обороты, сильней нагрев, сильнее текучка ОЖ!!! Причем тут помпа на разную температуру?

Похожие темы

  1. Не греет печка со стороны водителя!
    от Energy-2 в разделе Honda Civic 5D
    Ответов: 43
    Последнее сообщение: 13.02.2019, 17:55
  2. Печка не греет(.
    от pavelads в разделе V
    Ответов: 160
    Последнее сообщение: 27.01.2016, 13:53
  3. Не греет печка на маленьких оборотах
    от новичёк в разделе Двигатель и трансмиссия
    Ответов: 3
    Последнее сообщение: 03.06.2010, 19:28
  4. Печка не греет
    от Jack_Rabbit в разделе Ремонт
    Ответов: 1
    Последнее сообщение: 07.08.2007, 17:55
  5. не греет печка 6civic
    от romeo1981 в разделе Ремонт
    Ответов: 47
    Последнее сообщение: 28.02.2007, 21:26

Ваши права

  • Вы не можете создавать новые темы
  • Вы не можете отвечать в темах
  • Вы не можете прикреплять вложения
  • Вы не можете редактировать свои сообщения
  •