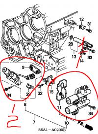
После аварии была похожая картина. Коробка SSTA. При ударе погнулся соленоид под номером 1, замигала D. На D2 здила отлично, на D3, D4 вообще никак. Включении задней передачи происходил существенный удар, при включении D удар поменьше. Соленоиды выстучали, ошибка пропала сначала, потом опять появилась и больше не исчезала до замены соленоидов. На глаза попались datasheet производителя соленоидов, в которых было указанно, что соленоиды с SLXA подходят на SSTA. С такой коробки собственно и были они сняты и заменены на моей. У соленоид цифрой 2 просто разъём разломался и так как достался бонусом, тоже был заменен. Ошибка после замены сбросилась, но не сразу, каким образом она пропала не понятно.
![]()




