Ребята все получилось, кнопки аудио работают, я их напрямую к мафону подключил.
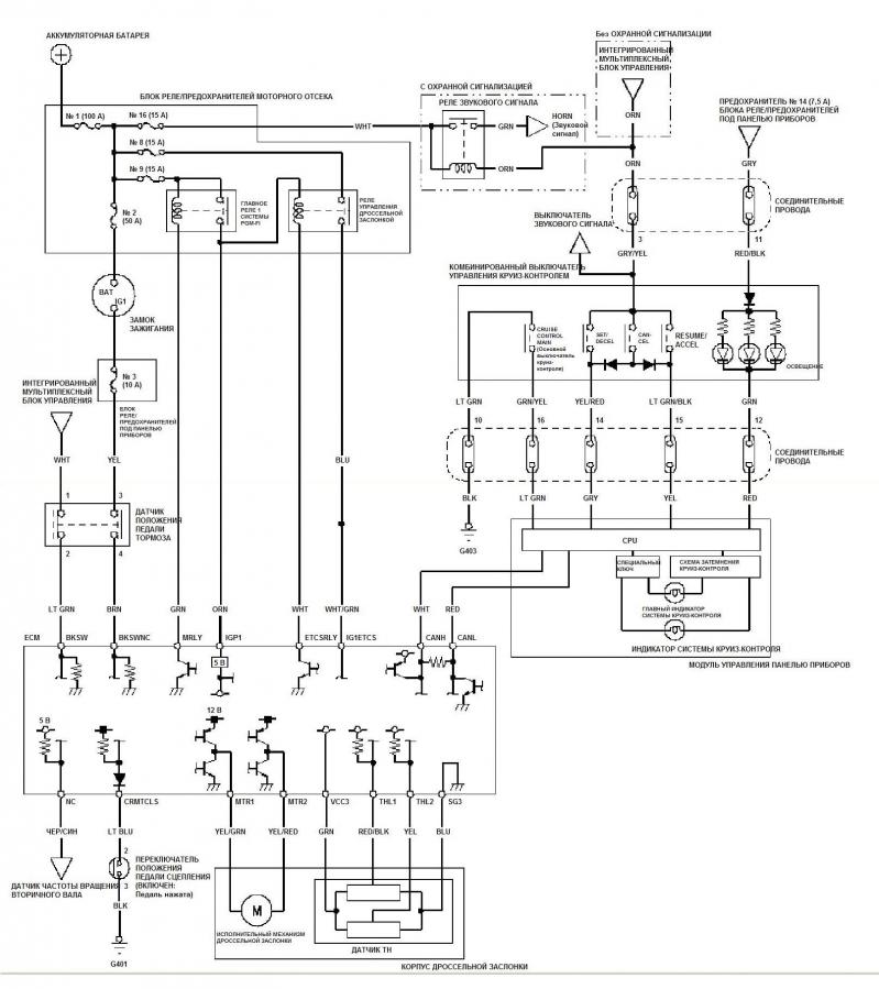
Значит действительно провода с кнопок в фишку заведены по другому и это скорее всего связанно с кнопкой SEL/RESET она подключается к это же фишки. Ребята Выручайте, нужна схема или фото синий фишки что на рисунке выше, хочу понять в каком порядке провода стоят. Заранее большое спасибо!


Ответить с цитированием


