weer, если наш (2060 мм) приводной ремень запасовать по схеме фото, то его натяжитель не натягивает и он болтается (излишек > 100 мм). Поэтому возможен только зеленый вариант.
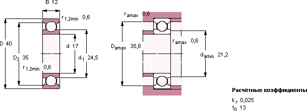
Артикул натяжного ролика есть в каталоге http://www.japancats.ru/. ( КРЕПЛЕНИЕ ГЕНЕРАТОРА / НАТЯЖИТЕЛЬ РЕМНЯ, 9 PULLEY COMP., 31190-RNA-003). А вот по холостому ролику (который стоит вместо приводного шкива ГУРа) у меня артикула нет. Знаю, что называется он >PF-G40< с подшипником KOYO JAPAN 6203 RRSX. Вот такие размеры подшипника:

Сообщите артикул холостого ролика.
Его нужно, наверное, искать в ВИНах Сивиков с ГУРом?
---------- Сообщение добавлено в 21:39 ---------- Предыдущее сообщение добавлено в 21:08 ----------
По натяжному ролику есть еще такая инфа:
INA
FRANCE
F 551449/01 2300
X09
А его подщипник -
051-177-005/396
8814
Возможно есть ошибка, так как ничего под эти данные не бьется.