Like Tree15Likes

Внезапный вопрос - мгновенный ответ - Часть 6

Страница 82 из 131 ПерваяПервая ... 3272808182838492 ... ПоследняяПоследняя
Показано с 811 по 820 из 1305
  1. #811
    Старожил
    Регистрация
    01.07.2018
    Адрес
    Rostov-Na-Donu
    Сообщений
    635

    По умолчанию

    Цитата Сообщение от Dima19 Посмотреть сообщение
    всем привет
    у меня сивка 11 года АТ
    при запуске двигла появляется свистящий цыкающий звук, как думаете, что это?
    очень похоже на какой то ролик
    ну если это ролик, а не цепь ГРМ
    то на больших пробегах дохнет обводной ролик натяжителя приводного ремня


  2. #812
    Член Клуба
    Регистрация
    18.04.2020
    Адрес
    Москва
    Сообщений
    7

    По умолчанию

    на схеме екзиста сможешь показать его? или напиши какая деталь и в каком разделе
    спасибо!

  3. #813
    Старожил
    Регистрация
    01.07.2018
    Адрес
    Rostov-Na-Donu
    Сообщений
    635

    По умолчанию

    Цитата Сообщение от Dima19 Посмотреть сообщение
    на схеме екзиста сможешь показать его? или напиши какая деталь и в каком разделе
    спасибо!
    ну это же не факт что он умер
    съезди на сервис там послушают стетоскопом

    я точно не уверен, потому что на своем 4d менял его в сборе с натяжителем
    но вот Внезапный вопрос - мгновенный ответ - Часть 6-cyzuebj.jpg

  4. #814
    Член Клуба
    Регистрация
    18.04.2020
    Адрес
    Москва
    Сообщений
    7

    По умолчанию

    От души

  5. #815
    Участник
    Регистрация
    08.10.2014
    Адрес
    Новороссийск
    Сообщений
    49

    По умолчанию

    Ребята помогите с номером детали лямбда зонда который под капотом

  6. #816
    Участник
    Регистрация
    23.03.2014
    Адрес
    Самара
    Сообщений
    43

    По умолчанию

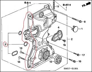
    Подскажите, есть ли какие-то уплотнители между корпусом двигателя R18A и правой крышкой (на схеме ниже)? По схеме чот не совсем понятно, указаны только три колечка.
    Течет масло по выделенному стыку, хочу закупить все необходимые прокладки перед разбором, чтобы не ждать запчасти, когда разберут.
    Внезапный вопрос - мгновенный ответ - Часть 6-annotation-2020-06-03-155851.jpg

  7. #817
    Участник
    Регистрация
    08.10.2014
    Адрес
    Новороссийск
    Сообщений
    49

    По умолчанию

    Вопрос к знатокам лямбда зонд верхний у 4d и 5d одинаковые?

  8. #818
    Старожил
    Регистрация
    21.09.2012
    Адрес
    Червонопартизанск. Донбасс.
    Сообщений
    1,773

    По умолчанию

    Двигатели то одинаковы, да и парт номера совпадают. Кроме того интернет гласит...

    ПРИМЕНЯЕМОСТЬ ПО КАТАЛОГУ
    ACCORD
    2008 - 2014
    ACCORD TOURER
    2009 - 2012
    CIVIC
    2006 - 2014
    CIVIC (US)
    2006 - 2013
    CIVIC NGV (US)
    2006 - 2013
    CR-V
    2007 - 2014
    FR-V
    2007 - 2009
    Ориентировочные цены на Хонда Цивик (Хонда Сивик) Датчик кислородный (Лямбда-зонд):
    Фото
    Запчасть
    Цена
    Купить
    Honda Civic VIII (4D, 5D) — 2006-2012 гг.

  9. #819
    Участник
    Регистрация
    23.03.2014
    Адрес
    Унеча
    Сообщений
    238

    По умолчанию

    Цитата Сообщение от Anton033 Посмотреть сообщение
    Ребята помогите с номером детали лямбда зонда который под капотом
    Купи на Ali. https://aliexpress.ru/item/327375641...c001ituvM&mp=1. Уже на три машины поставил,все отлично.

  10. #820
    Участник
    Регистрация
    19.10.2015
    Адрес
    Люберцы
    Сообщений
    18

    По умолчанию

    Добрый день. Товарищи, подскажите пожалуйста парт номер клипсы крышки сапуна для 5д. По ссылке на первой фотке кружочком обведены.
    https://www.drive2.ru/l/456128001810106436/

Ваши права

  • Вы не можете создавать новые темы
  • Вы не можете отвечать в темах
  • Вы не можете прикреплять вложения
  • Вы не можете редактировать свои сообщения
  •