Не заводится, не гаснет чек, не качает насос.

Страница 2 из 6 ПерваяПервая 1234 ... ПоследняяПоследняя
Показано с 11 по 20 из 51

Комбинированный просмотр

Предыдущее сообщение Предыдущее сообщение   Следующее сообщение Следующее сообщение
  1. #1
    Старожил
    Регистрация
    17.11.2007
    Адрес
    уже НЕ Москва, но рядом
    Сообщений
    604

    По умолчанию

    Непонятно, провода то, которые к реле идут, проверил?
    Изображения Изображения  

  2. #2
    Старожил
    Регистрация
    15.01.2009
    Адрес
    г.Курган
    Сообщений
    3,616

    По умолчанию

    Цитата Сообщение от -Shark- Посмотреть сообщение
    Непонятно, провода то, которые к реле идут, проверил?
    как их проверить? приходит ли напруга на майн реле?

  3. #3
    Старожил
    Регистрация
    28.08.2014
    Адрес
    Краснодарский край.
    Сообщений
    501

    По умолчанию

    Цитата Сообщение от evgen0885 Посмотреть сообщение
    как их проверить? приходит ли напруга на майн реле?
    Сам насос, на прямую проверяли? если он гудит то это не о чем не говорит, надо, чтоб давление в рампе было, Напряжение постоянно будет на реле только тогда, когда заведется двигатель.

  4. #4
    Старожил
    Регистрация
    17.11.2007
    Адрес
    уже НЕ Москва, но рядом
    Сообщений
    604

    По умолчанию

    evgen0885, приходит, уходит, доставляется ли потребителям, есть ли масса. Надо с этого начинать. Потом паять и смотреть датчики. Кстати, что с чеком?

  5. #5
    Старожил
    Регистрация
    15.01.2009
    Адрес
    г.Курган
    Сообщений
    3,616

    По умолчанию

    Цитата Сообщение от -Shark- Посмотреть сообщение
    evgen0885, приходит, уходит, доставляется ли потребителям, есть ли масса. Надо с этого начинать. Потом паять и смотреть датчики. Кстати, что с чеком?
    Чек просто горит и всё, самодиагностика не показывает ничего

    ---------- Сообщение добавлено 04.09.2015 в 13:32 ----------

    Поеду сегодня смотреть идет ли напруга на реле

  6. #6
    Старожил
    Регистрация
    17.11.2007
    Адрес
    уже НЕ Москва, но рядом
    Сообщений
    604

    По умолчанию

    Значит точно звони проводку. И особое внимание обрати на а7, 8. На этих ногах должна появляться масса. Проверять надо прямо на мозге при присоединенной проводке. Если она там в определенный момент не появляется, это проблема с мозгом. Там можно менять, можно паять элементы. Но это уже другая история.

    Я надеюсь ты массу мозга первым делом на термостате проверил?

    P.s. последовательность проверки каждого провода посиотри в мануале. Это важно. Там очень подробно и наглядно.

  7. #7
    Старожил
    Регистрация
    17.11.2007
    Адрес
    уже НЕ Москва, но рядом
    Сообщений
    604

    По умолчанию

    Sasha123, слушай не лезь. В 5 цивиках есть нюансы, о которых ты не знаешь. Оставайся в 5д, а то сейчас людей путать начнешь.

  8. #8
    Старожил
    Регистрация
    28.08.2014
    Адрес
    Краснодарский край.
    Сообщений
    501

    По умолчанию

    Цитата Сообщение от -Shark- Посмотреть сообщение
    Sasha123, слушай не лезь. В 5 цивиках есть нюансы, о которых ты не знаешь. Оставайся в 5д, а то сейчас людей путать начнешь.
    Да и нафик.

  9. #9
    Старожил
    Регистрация
    15.01.2009
    Адрес
    г.Курган
    Сообщений
    3,616

    По умолчанию

    Цитата Сообщение от -Shark- Посмотреть сообщение
    Sasha123, слушай не лезь. В 5 цивиках есть нюансы, о которых ты не знаешь. Оставайся в 5д, а то сейчас людей путать начнешь.
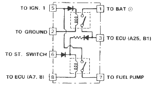
    Да он просто не понял суть проблемы))) щас ездил в гараж, времени было мало очень, массу которая на термостате первым делом осмотрел, там всё чётко на вид, у меня она уже отваливалась, я её сразу капитально сремонтировал. Ещё проверил подходит ли масса на майн реле, масса есть, посмотрел в мануале, от мозга подходит два провода, голубой с белой полоской и зеленый с желтой полоской, вот если мультиметром проверять то от голубого есть напруга, а зеленый получается ко второму концу катушки реле подходит, блин надо было к зеленому и голубому подцепить мультиметр))) Сгонять попробовать чтоли))) я ещё хотел с ЦРВ майн реле снять и в сивика воткнуть, но не нашел где оно в црв стоит да и не уверен что оно подойдет... Ща поеду пробовать наверно...)))

    ---------- Сообщение добавлено 04.09.2015 в 18:59 ----------

    Короче проверил на Майн реле куда что подается, нет напруги на 6-м контакте, который как раз в цепи катушки релюхи, которая замыкает контакты, подающие на насос плюс с 5-го контакта. По схеме он идет непонятно, то ли на мозг и предохранитель, то ли на мозг через предохранитель, может попробовать кинуть на него плюс?[COLOR="Silver"]

    ---------- Сообщение добавлено 04.09.2015 в 19:36 ----------

    Перед этим я проверял напругу на разъёме с отключеным майн реле, вот не пойму, щас при подключеном майн реле как раз нет напряжения на
    голубом с белой полоской, предохранитель посмотрел в инете идет №18 7.5А, целый, на нем тоже нет напряжения, в следующий раз поеду вытащу мозг и на нем посмотрю этот синий провод, и ещё раз проверю, есть ли на нем плюс при отключеной майн реле...
    Шляпа какая то)))))

    ---------- Сообщение добавлено 04.09.2015 в 23:23 ----------

    щас сижу смотрю на майн реле, и думаю, если на 8 контакте плюс, то на 6 минус чтоли должен же быть?

    ---------- Сообщение добавлено 04.09.2015 в 23:25 ----------

    но судя по схеме на 8 должна быть масса

    ---------- Сообщение добавлено 04.09.2015 в 23:27 ----------

    а там плюс, наверно изза того что нет массы, поэтому мультиметр показывает напряжение 12в

    ---------- Сообщение добавлено 04.09.2015 в 23:36 ----------

    Всё сейчас точно уверен, нет массы на 8 проводе, завтра его прозвоню цел ли он от мозга до реле, и есть ли масса из мозга, если нет то лезть в мозг? что там менять?

    ---------- Сообщение добавлено 04.09.2015 в 23:52 ----------

    Цитата Сообщение от -Shark- Посмотреть сообщение
    Значит точно звони проводку. И особое внимание обрати на а7, 8. На этих ногах должна появляться масса. Проверять надо прямо на мозге при присоединенной проводке. Если она там в определенный момент не появляется, это проблема с мозгом. Там можно менять, можно паять элементы. Но это уже другая история.

    Я надеюсь ты массу мозга первым делом на термостате проверил?

    P.s. последовательность проверки каждого провода посиотри в мануале. Это важно. Там очень подробно и наглядно.
    читал но невнимательно, масса должна быть на 8 проводе)))))
    Последний раз редактировалось evgen0885; 04.09.2015 в 21:40.

  10. #10
    Старожил
    Регистрация
    17.11.2007
    Адрес
    уже НЕ Москва, но рядом
    Сообщений
    604

    По умолчанию

    Ты столько всего написал. Мне надо разобраться. Я не помню цвета. На 8 да масса. Появляется на пару секунд в момент включения зажигания, потом пропадает и появляется вновь, когда мотор заводится. Если вначале не появляется, то подкинь новые мозги на пробу.

Похожие темы

  1. Чек загорается в дождливую погоду , как авто высыхает чек гаснет!
    от Atletus в разделе Эксплуатация и обслуживание
    Ответов: 2
    Последнее сообщение: 08.10.2013, 17:16
  2. Ответов: 10
    Последнее сообщение: 06.11.2012, 08:42
  3. Не качает бензонасос
    от Saniochek в разделе Англосивик
    Ответов: 6
    Последнее сообщение: 19.11.2010, 18:53
  4. Чек моргает после снятия клемы 10 км. потом гаснет.
    от dengdv в разделе Эксплуатация и обслуживание
    Ответов: 2
    Последнее сообщение: 08.10.2010, 19:40
  5. Кто "сколько" качает колёса?
    от VLAD_SLAV в разделе Шины и диски
    Ответов: 18
    Последнее сообщение: 01.04.2008, 14:13

Ваши права

  • Вы не можете создавать новые темы
  • Вы не можете отвечать в темах
  • Вы не можете прикреплять вложения
  • Вы не можете редактировать свои сообщения
  •