Вопросы по запчастям, партнамберы и т.д.

Страница 105 из 496 ПерваяПервая ... 55595103104105106107115155205 ... ПоследняяПоследняя
Показано с 1,041 по 1,050 из 5003

Комбинированный просмотр

Предыдущее сообщение Предыдущее сообщение   Следующее сообщение Следующее сообщение
  1. #1
    Новичок
    Регистрация
    02.01.2012
    Адрес
    apple city
    Сообщений
    2

    По умолчанию

    Цитата Сообщение от GrAndSMS Посмотреть сообщение
    Всем доброго времени суток!
    Подскажите, знает ли кто-нидь партнамбер крепления полки багажника на хэтч? Вот такого, как на фото.

    Заранее спасибо!!!

    ---------- Сообщение добавлено 25.01.2013 в 21:46 ----------



    Я тут с ЕЖа нашел: 84402-SH5-000, они такие же или нет???
    Тоже интересует этот вопрос. Достало дребезжание полки.

  2. #2
    Участник
    Регистрация
    14.09.2011
    Адрес
    Чехов
    Сообщений
    407

    По умолчанию

    slerm,

    zh55,
    Спасибо, вероятно ступил )

  3. #3
    Старожил
    Регистрация
    20.01.2011
    Адрес
    Альметьевск
    Сообщений
    2,954

    По умолчанию

    Всем привет! В полезных парт номерах не нашел, зато нашел тему попрошайки, надеюсь на вашу помощь.
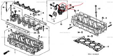
    С наступлением морозов задубевшие прокладки клапан ВТЕКа стали капитально подтекать. Большую прокладку между клапаном и блоком я нашел, это не проблема, но вот найти прокладку между корпусом клапана и чашечками соленоидов у меня так и не получилось. В инете есть только прокладки для 1 соленоидного клапана, а мне надо от 2-х.. Двиг Д15Б 3 стадийник.
    Фото с изображением места где должна быть эта прокладка
    Миниатюры Миниатюры Вопросы по запчастям, партнамберы и т.д.-s041e100.1b.jpg  

  4. #4
    Участник
    Регистрация
    15.06.2012
    Адрес
    Москва
    Сообщений
    199

    По умолчанию

    присоединяюсь к вопросу ибо подтекает капитально...

  5. #5
    Участник
    Регистрация
    09.03.2012
    Адрес
    Лыткарино
    Сообщений
    294

    По умолчанию

    Armisael,

    Sa1FeR,

    15825-P2J-005

    оно?
    у самого трехстадийник

  6. #6
    Старожил
    Регистрация
    20.01.2011
    Адрес
    Альметьевск
    Сообщений
    2,954

    По умолчанию

    Grin4,
    Похоже нет, судя по схеме это
    большая прокладка между блоком и самим клапаном. А надо прокладку которая внутри клапана она несколько меньше.. вот такая как на фото, только тут для 1 соленоида, а надо для 2-х...

  7. #7
    Участник
    Регистрация
    29.08.2010
    Адрес
    новосибирск
    Сообщений
    24

    По умолчанию

    Armisael, не найдешь ты эту прокладку. Эта тема обсуждалась 2109 раз. Герметик рулит (хотя, не у всех...)

  8. #8
    Старожил
    Регистрация
    20.01.2011
    Адрес
    Альметьевск
    Сообщений
    2,954

    По умолчанию

    hot1man,
    Печаль, не знаю сколько раз обсуждалось, весь форум не перечитать. Меня эта тема всего лишь пару недель как интересует. Значит придется искать другие варианты(

  9. #9
    Участник
    Регистрация
    07.05.2011
    Адрес
    Белгород
    Сообщений
    76

    По умолчанию

    подскажите номера в экзисте стоек с занижением и к ним пружины

  10. #10
    Старожил
    Регистрация
    18.07.2009
    Адрес
    Москва
    Сообщений
    2,801

    По умолчанию

    Цитата Сообщение от Urban Посмотреть сообщение
    подскажите номера в экзисте стоек с занижением и к ним пружины

Похожие темы

  1. Ответов: 209
    Последнее сообщение: 18.07.2017, 01:18
  2. Ответов: 499
    Последнее сообщение: 18.01.2017, 20:07
  3. Ответов: 1
    Последнее сообщение: 26.04.2007, 11:45

Ваши права

  • Вы не можете создавать новые темы
  • Вы не можете отвечать в темах
  • Вы не можете прикреплять вложения
  • Вы не можете редактировать свои сообщения
  •