
Сообщение от
lexbarnaul
Вобщем мастера мне тогда так ничего и не подсказали... Летом 2014г. я забил на проблему, но осенью уже было начал всерьёз задумываться о продажи авто из-за моей проблемы.
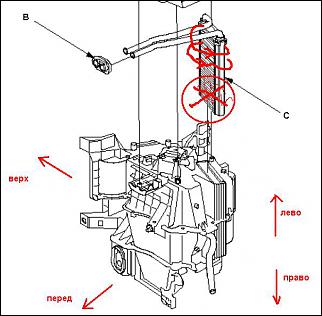
Я был уверен на 99% что виноват радиатор печки - забит(хотя две чистки без снятия не помогли(( Короче думаю разберу на удачу сам.В омануале написано что снять этот радиатор можно только при полном демонтаже всей торпеды, но этого делать я не хотел по причине того, что всё будет скрипеть.
Разбирать начал с панели над педалями, потом снял среднюю панель (в которой рычаг АКПП, ручник, бардачки, подлокотник). Открутил крышку отопителя и добрался до самого радиатора. Разбирается всё просто и понятно, на всё это ушло примерно 1 час.
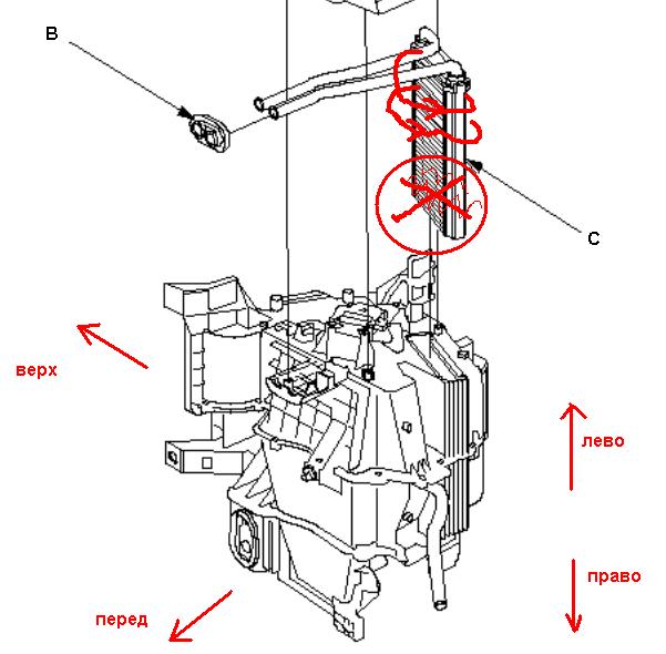
Как оказалось, действительно, по нормальному без разбора торпеды радиатор оттуда не вытащить, поскольку придётся гнуть/ломать аллюминиевые подводки к радиатору, которые идут в сторону капота. Решение проблемы пришло мгновенно - я купил на разборке б/у радиатор(удачно он подвернулся), шланг для антифриза, хомуты, антифриз, срезал болгаркой эти подводки вытащил старую печку, частично срезал на новом радиаторе подводки, вставил новый радиатор в систему, одел трубки на оставшиеся старые подводки, затянул хомутами - ПЕЧКА ЖАРИТ!!! Сложно думаю всё это воспринимать, не зная как там устроено. На самом деле оказалось год делов и переживаний, а делов на 3 часа. В старую печку залил кипятка из чайника, прогрелось только 3 см. со стороны подводок, остальные 20 см были холодными...
Надеюсь кому-то эта информация пригодится, если что спрашивайте. PS сделал фото, постараюсь выложить.