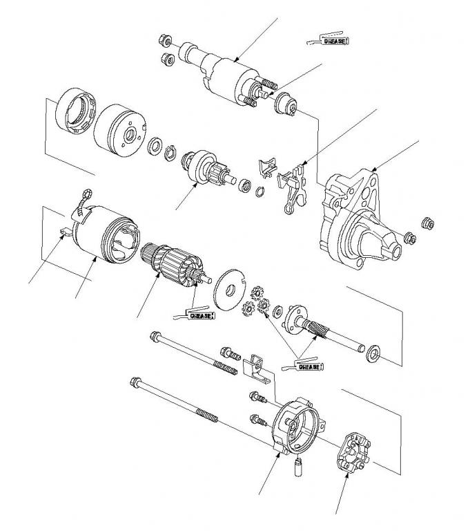
скрежет стартера заставил меня обратиться к ОД с просьбой о замене бендикса по гарантии. после демонстрации аудиозаписи мастер сказал что дело не в нем, но заменить согласился. в результате замены бендикса на новый абсолютно ничего не поменялось. скрежет остался. что скажете?




Ответить с цитированием
