Ритмично скачут обороты хх

Страница 3 из 5 ПерваяПервая 12345 ПоследняяПоследняя
Показано с 21 по 30 из 42

Комбинированный просмотр

Предыдущее сообщение Предыдущее сообщение   Следующее сообщение Следующее сообщение
  1. #1
    Старожил
    Регистрация
    02.03.2010
    Адрес
    Москва
    Сообщений
    6,475

    По умолчанию

    Даже проще спрошу, провода подходят к этому клапану? Если да, то так и должно быть, это кхх, его мыть/менять. Если нет, то это прогревочный, их на вариаторах не было

  2. #2
    EG_as_Fuck
    Регистрация
    05.07.2011
    Адрес
    Москва
    Сообщений
    717

    По умолчанию

    Armisael,
    на данный момент вариатор, буду механику ставить

    ---------- Сообщение добавлено 26.10.2014 в 20:01 ----------

    slerm,
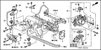
    вот схема моего от моего дросселя, у меня замерз девайс под номером 3

  3. #3
    Старожил
    Регистрация
    20.01.2011
    Адрес
    Альметьевск
    Сообщений
    2,954

    По умолчанию

    Human,
    не открывается

  4. #4
    EG_as_Fuck
    Регистрация
    05.07.2011
    Адрес
    Москва
    Сообщений
    717

    По умолчанию

    Armisael,
    наоборот, всегда открыт, из-за чего обороты в космос летят и прыгают

  5. #5
    Старожил
    Регистрация
    29.02.2012
    Адрес
    Спб
    Сообщений
    2,145

    По умолчанию

    Human,
    ссылка не открывается XDDDDD

  6. #6
    Участник
    Регистрация
    16.09.2012
    Адрес
    Иваново
    Сообщений
    129

    По умолчанию

    тему особо не читал, но вдруг дело из-за датчика температуры охлаждающей жидкости? дает мозгу не верную инфу.... нет?)))

  7. #7
    EG_as_Fuck
    Регистрация
    05.07.2011
    Адрес
    Москва
    Сообщений
    717

    По умолчанию

    как-то так
    Миниатюры Миниатюры Ритмично скачут обороты хх-cimage.jpg  

  8. #8
    Старожил
    Регистрация
    20.01.2011
    Адрес
    Альметьевск
    Сообщений
    2,954

    По умолчанию

    Human,
    верно, у тебя должен быть девайс №3, а вот №17 быть НЕ должно. Значит так, снимай №3, там заслонка должна быть на внутренней части. Она должна свободно от руки ходить, там магнитами управляется, поэтому после того как сдвинешь должна назад тут же отпрыгнуть.(своими словами уж)) ) Если идет с усилием, то пробуй разработать, если не получится - хана датчику. Ах да, с олбратной стороны пластина с прорезями,это штука аккурат регулирует как именно датчик должен работать, на какой температуре будет полностью закрываться то есть. Если собьешь регулировку - заипешься потом ловить правильный момент)) Там еще такой прикол, что без снятия хрен отрегулируешь, а снятие = куча гемора)))

  9. #9
    Старожил
    Регистрация
    02.03.2010
    Адрес
    Москва
    Сообщений
    6,475

    По умолчанию

    А для начала прозвонить обмотки по мануалу. При сгоревшей обмотке обороты как раз плавают 800-2000

  10. #10
    EG_as_Fuck
    Регистрация
    05.07.2011
    Адрес
    Москва
    Сообщений
    717

    По умолчанию

    Armisael,
    Я ж и говорю пластина эта колом стоит

Похожие темы

  1. Ответов: 53
    Последнее сообщение: 05.08.2014, 13:37
  2. Ответов: 6
    Последнее сообщение: 04.10.2011, 11:34
  3. Скачут обороты d15b2
    от Shi~ в разделе Двигатель и трансмиссия
    Ответов: 7
    Последнее сообщение: 12.01.2010, 13:22
  4. помогите скачут обороты после замены грм!!
    от Владдарк в разделе Двигатель и трансмиссия
    Ответов: 5
    Последнее сообщение: 04.10.2009, 12:27
  5. Скачут обороты
    от Rakuha в разделе Ремонт
    Ответов: 3
    Последнее сообщение: 14.04.2009, 12:31

Ваши права

  • Вы не можете создавать новые темы
  • Вы не можете отвечать в темах
  • Вы не можете прикреплять вложения
  • Вы не можете редактировать свои сообщения
  •