civicEG b20+b16

Страница 130 из 172 ПерваяПервая ... 3080120128129130131132140 ... ПоследняяПоследняя
Показано с 1,291 по 1,300 из 1724

Комбинированный просмотр

Предыдущее сообщение Предыдущее сообщение   Следующее сообщение Следующее сообщение
  1. #1
    Автор темы
    Регистрация
    05.10.2006
    Адрес
    Иркутск
    Сообщений
    2,707

    По умолчанию

    спасибо.
    сижу на сайте специализированном, там люди консультируют

    3500 за два балона

  2. #2
    Участник
    Регистрация
    28.08.2007
    Адрес
    Ангарск
    Сообщений
    322

    По умолчанию

    Кинь ссыль на сайт

    ---------- Сообщение добавлено 06.06.2014 в 10:42 ----------

    Вопрос может кажущийся дурацким.
    Суть: Что жестче, сток пружина или пневма?
    Пример, на корме пустой машины шток ровно посередине, сажаем 3 пассажира и шток уходит на 3см.
    Ставим на те же аморты пневму. Подушки забиваем, чтоб шток так же оказался по середине.
    Меньше или больше утопнет шток если прсадить тех же пассажиров?

  3. #3
    Член Клуба
    Регистрация
    28.10.2011
    Адрес
    Иркутск
    Сообщений
    2,708

    По умолчанию

    Цитата Сообщение от Grief Посмотреть сообщение
    Кинь ссыль на сайт

    ---------- Сообщение добавлено 06.06.2014 в 10:42 ----------

    Вопрос может кажущийся дурацким.
    Суть: Что жестче, сток пружина или пневма?
    Пример, на корме пустой машины шток ровно посередине, сажаем 3 пассажира и шток уходит на 3см.
    Ставим на те же аморты пневму. Подушки забиваем, чтоб шток так же оказался по середине.
    Меньше или больше утопнет шток если прсадить тех же пассажиров?
    сколько не видел бы заводских машин с пневмой - сколько оно утонет, то сразу накачается в стоковое значение. высота короче не изменится.

  4. #4
    Автор темы
    Регистрация
    05.10.2006
    Адрес
    Иркутск
    Сообщений
    2,707

    По умолчанию

    на этот вопрос быстро не ответишь.
    вот сайт http://pnevmopodveska-club.ru/ читай FAQ там много полезной информации.

  5. #5
    Участник
    Регистрация
    28.08.2007
    Адрес
    Ангарск
    Сообщений
    322

    По умолчанию

    Задай ради интереса на том сайте вопросец. ))
    Вопрос так сказать энергоёмкости при одних и тех же настройках подвески

    ---------- Сообщение добавлено 06.06.2014 в 11:12 ----------

    Отключаем автоматическое или какое бы то ни было управление — машина заглушена
    На пружине или на пневме машина больше просядет.
    Ps: Потом мы конечно все системы включим и машина выровняется.

  6. #6
    Автор темы
    Регистрация
    05.10.2006
    Адрес
    Иркутск
    Сообщений
    2,707

    По умолчанию

    на пневме много зависит от типа подушки ( они бывают двух видов), длины рукава то есть от объема подушки, от поршня... этими параметрами ты добываешь прогрессивной характеристики - все очень индивидуально, поэтому и говорю нет однозначного ответа... ты почитай теорию, очень интересно

  7. #7
    Участник
    Регистрация
    28.08.2007
    Адрес
    Ангарск
    Сообщений
    322

    По умолчанию

    читаю, хоть понял что такое прогрессивность
    подождем когда соберешь
    перед снятием пружин замерь на сколько падает машина с 3мя пассажирами, и потом на пневме замерь.
    контур замкнутый или классический думаешь делать?

  8. #8
    Автор темы
    Регистрация
    05.10.2006
    Адрес
    Иркутск
    Сообщений
    2,707

    По умолчанию

    замерить не получится
    несколько страниц назад писал, что стойки разобрал

  9. #9
    Участник
    Регистрация
    28.08.2007
    Адрес
    Ангарск
    Сообщений
    322

    По умолчанию

    Посмотрел реализацию на 4 цивку. Прикольно.
    Посмотрим что получится, мож себе замучу

  10. #10
    Автор темы
    Регистрация
    05.10.2006
    Адрес
    Иркутск
    Сообщений
    2,707

    По умолчанию

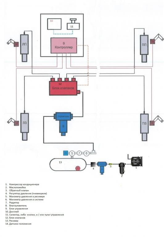
    вот предполагаемая схема пневмы:
    Миниатюры Миниатюры civicEG b20+b16-shema-kopiya.jpg  

Ваши права

  • Вы не можете создавать новые темы
  • Вы не можете отвечать в темах
  • Вы не можете прикреплять вложения
  • Вы не можете редактировать свои сообщения
  •